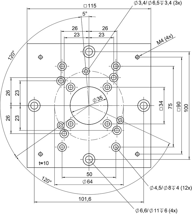
M-061.HP Adapter Plate

For Horizontal Mounting of M-06x Rotation Stages on M-451 and M-5x1

M-061.HP Adapter Plate
Product Description Downloads Quote / Order

Downloads

Datasheet

Datasheet

Datasheet M-061.HP

Version / Date
2018-07-30
pdf - 583 KB
Version / Date
2018-07-30
pdf - 588 KB
Version / Date
2019-03-29
pdf - 615 KB
Version / Date
2019-03-29
pdf - 578 KB

Quote / Order

Ask for a free quote on quantities required, prices, and lead times or describe your desired modification.

How to Get a Quote

Click on QUOTE / ORDER
Add variant to quote list
Fill out quote form
Send price request to PI
We will contact you shortly

Compatible Products