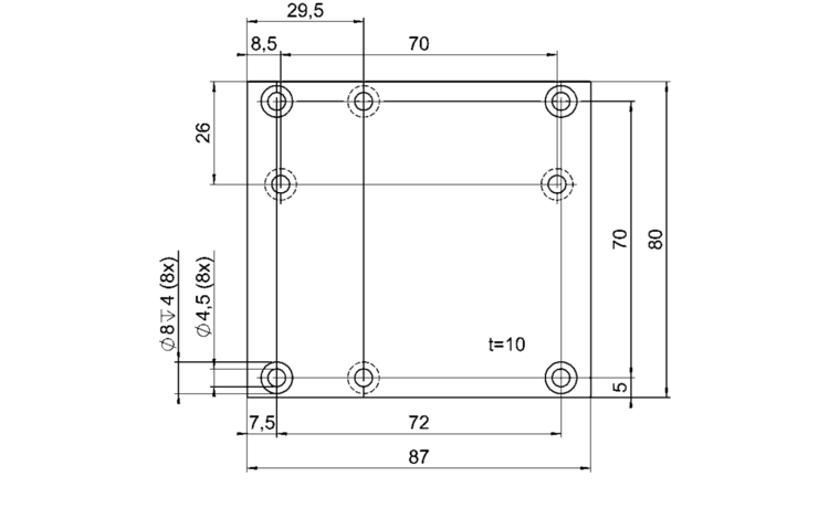
M-403.AP2 Adapter Bracket

For Vertical Mount of M-403/M-404 on M-403/M-404 Stages

M-403.AP2 Adapter Bracket
Product Description Downloads Quote / Order

Downloads

Datasheet

Datasheet

Datasheet M-403.AP2

Version / Date
2015-04-13
pdf - 647 KB
Version / Date
2015-04-13
pdf - 645 KB

Quote / Order

Ask for a free quote on quantities required, prices, and lead times or describe your desired modification.

How to Get a Quote

Click on QUOTE / ORDER
Add variant to quote list
Fill out quote form
Send price request to PI
We will contact you shortly

Compatible Products