Tip/tilt platform, 2 mrad, open loop, LEMO connectors, aluminum cover plate
S-340 Piezo Tip/Tilt Platform
High Dynamics for Mirrors and Optics to Ø 75 mm (3")
- Resolution up to 20 nrad, excellent position stability
- Optical beam deflection to 4 mrad
- Various different materials for adapting the CTE between the platform and mirror
- Parallel kinematics for higher accuracy and dynamics
- Sub-ms response time
- For mirrors to Ø 75 mm (3"); Ø 100 mm (4") on request
- Closed-loop versions for improved linearity
- Excellent temperature stability
Application fields
- Image processing / stabilization
- Optical trapping
- Laser scanning / beam steering with large deflection angle
- Laser tuning
- Optical filters / switches
- Optics
- Beam stabilization
Outstanding lifetime thanks to PICMA® piezo actuators
The PICMA® piezo actuators are all-ceramic insulated. This protects them against humidity and failure resulting from an increase in leakage current. PICMA® actuators offer an up to ten times longer lifetime than conventional polymer-insulated actuators. 100 billion cycles without a single failure are proven.
High guiding accuracy due to zero-play flexure guides
Flexure guides are free of maintenance, friction, and wear, and do not require lubrication. Their stiffness allows high load capacity and they are insensitive to shock and vibration. They work in a wide temperature range.
High dynamics multi-axis operation due to parallel kinematics
In a parallel-kinematic multi-axis system, all actuators act on a common platform. The minimum mass inertia and the identical design of all axes allow fast, dynamic, and nevertheless precision motion.
Material options for adapting the CTE of the mirror and platform
The following material combinations are recommended for adapting the thermal expansion coefficient:
- Platform made of aluminum: Mirror made of aluminum
- Platform made of Invar: Mirror made of quartz glass / Zerodur
Specifications
Specifications
| Motion | S-340.A0L | S-340.ASL | S-340.I0L | S-340.ISL | Tolerance |
|---|---|---|---|---|---|
| Active axes | θX ǀ θY | θX ǀ θY | θX ǀ θY | θX ǀ θY | |
| Rotation range in θX | — | 2 mrad | — | 2 mrad | |
| Rotation range in θY | — | 2 mrad | — | 2 mrad | |
| Rotation range in θX, open loop | 2 mrad | 2 mrad | 2 mrad | 2 mrad | ±20 % |
| Rotation range in θY, open loop | 2 mrad | 2 mrad | 2 mrad | 2 mrad | ±20 % |
| Linearity error in θX | — | 0.1 % | — | 0.1 % | typ. |
| Linearity error in θY | — | 0.1 % | — | 0.1 % | typ. |
| Positioning | S-340.A0L | S-340.ASL | S-340.I0L | S-340.ISL | Tolerance |
| Bidirectional repeatability in θX | — | 0.075 µrad | — | 0.075 µrad | typ. |
| Bidirectional repeatability in θY | — | 0.075 µrad | — | 0.075 µrad | typ. |
| Resolution in θX, open loop | 0.02 µrad | 0.02 µrad | 0.02 µrad | 0.02 µrad | typ. |
| Resolution in θY, open loop | 0.02 µrad | 0.02 µrad | 0.02 µrad | 0.02 µrad | typ. |
| Integrated sensor | — | SGS, indirect position measuring | — | SGS, indirect position measuring | |
| System resolution in θX | — | 0.2 µrad | — | 0.2 µrad | |
| System resolution in θY | — | 0.2 µrad | — | 0.2 µrad | |
| Drive Properties | S-340.A0L | S-340.ASL | S-340.I0L | S-340.ISL | Tolerance |
| Drive type | PICMA® | PICMA® | PICMA® | PICMA® | |
| Maximum power consumption | — | — | — | — | |
| Electrical capacitance in θX | 6 µF | 6 µF | 6 µF | 6 µF | ±20 % |
| Electrical capacitance in θY | 6 µF | 6 µF | 6 µF | 6 µF | ±20 % |
| Mechanical Properties | S-340.A0L | S-340.ASL | S-340.I0L | S-340.ISL | Tolerance |
| Resonant frequency in θX, unloaded | 1.7 kHz | 1.7 kHz | 1.1 kHz | 1.1 kHz | ±20 % |
| Resonant frequency in θX, under load with glass mirror (Ø 50 mm; thickness 5 mm; 21 g) | 1.4 kHz | 1.4 kHz | 1 kHz | 1 kHz | ±20 % |
| Resonant frequency in θX, under load with glass mirror (Ø 50 mm; thickness 13 mm; 63 g) | 1 kHz | 1 kHz | 0.85 kHz | 0.85 kHz | ±20 % |
| Resonant frequency in θX, under load with glass mirror (Ø 75 mm; thickness 19 mm; 197 g) | 0.55 kHz | 0.55 kHz | 0.5 kHz | 0.5 kHz | ±20 % |
| Resonant frequency in θY, unloaded | 1.7 kHz | 1.7 kHz | 1.1 kHz | 1.1 kHz | ±20 % |
| Resonant frequency in θY, under load with glass mirror (Ø 50 mm; thickness 5 mm; 21 g) | 1.4 kHz | 1.4 kHz | 1 kHz | 1 kHz | ±20 % |
| Resonant frequency in θY, under load with glass mirror (Ø 50 mm; thickness 13 mm; 63 g) | 1 kHz | 1 kHz | 0.85 kHz | 0.85 kHz | ±20 % |
| Resonant frequency in θY, under load with glass mirror (Ø 75 mm; thickness 19 mm; 197 g) | 0.55 kHz | 0.55 kHz | 0.5 kHz | 0.5 kHz | ±20 % |
| Moment of inertia in θX, unloaded | 18 kg·mm² | 18 kg·mm² | 54 kg·mm² | 54 kg·mm² | ±20 % |
| Moment of inertia in θY, unloaded | 18 kg·mm² | 18 kg·mm² | 54 kg·mm² | 54 kg·mm² | ±20 % |
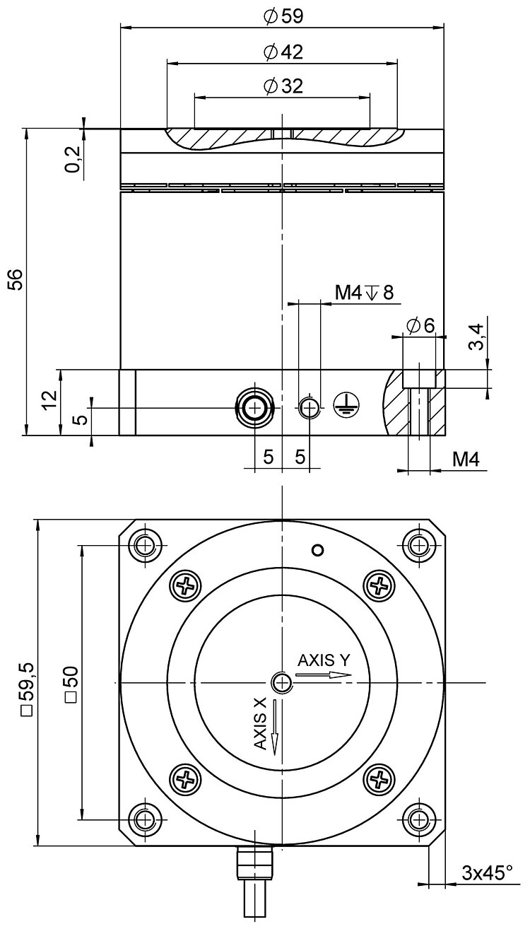
| Distance of pivot point to platform surface | 7.5 mm | 7.5 mm | 7.5 mm | 7.5 mm | ±0,1 mm |
| Guide | Flexure guide with lever amplification | Flexure guide with lever amplification | Flexure guide with lever amplification | Flexure guide with lever amplification | |
| Overall mass | 355 g | 355 g | 443 g | 443 g | |
| Material | Housing: Aluminum. Platform: Aluminum. | Housing: Aluminum. Platform: Aluminum. | Housing: Aluminum. Platform: Invar. | Housing: Aluminum. Platform: Invar. | |
| Miscellaneous | S-340.A0L | S-340.ASL | S-340.I0L | S-340.ISL | Tolerance |
| Operating temperature range | -20 to 80 °C | -20 to 80 °C | -20 to 80 °C | -20 to 80 °C | |
| Connector | LEMO LVPZT | LEMO LVPZT | LEMO LVPZT | LEMO LVPZT | |
| Sensor connector | — | LEMO for strain gauge sensors | — | LEMO for strain gauge sensors | |
| Cable length | 2 m | 2 m | 2 m | 2 m | |
| Recommended controllers / drivers | E-503, E-727 | E-503, E-727 | E-503, E-727 | E-503, E-727 |
The resolution of the system is limited only by the noise of the amplifier and the measuring technology because PI piezo nanopositioning systems are free of friction.
All specifications based on room temperature (22 °C ±3 °C).
At PI, technical data is specified at 22 ±3 °C. Unless otherwise stated, the values are for unloaded conditions. Some properties are interdependent. The designation "typ." indicates a statistical average for a property; it does not indicate a guaranteed value for every product supplied. During the final inspection of a product, only selected properties are analyzed, not all. Please note that some product characteristics may deteriorate with increasing operating time.
Downloads
Product Note
Product Change Notification Piezo Actuator Driven Products
Datasheet
Documentation
User Manual PZ75
S-340 Piezo Tip/Tilt Platform
3D Models
S-340 3-D model
Ask for a free quote on quantities required, prices, and lead times or describe your desired modification.
Tip/tilt platform, 2 mrad, SGS, LEMO connectors, aluminum cover plate
Tip/tilt platform, 2 mrad, open loop, LEMO connectors, Invar cover plate
Tip/tilt platform, 2 mrad, SGS, LEMO connectors, Invar cover plate
How to Get a Quote

Questions? - Ask a PI Engineer
Technology

PICMA® Technology
Highly reliable and extended lifetime through the patented manufacturing process for multilayer actuators.

Flexure Guiding Systems
Flexure guides from PI have proven their worth in nanopositioning. They guide the piezo actuator and ensure a straight motion without tilting or lateral offset.

Piezo Positioning Systems with Parallel Kinematics
In a parallel-kinematic, multi-axis system, all actuators act directly on a single moving platform.











