P-762 series closed-loop feedback multi-axis piezo nanopositioning stages are compact multi-axis flexure guided mechanisms for positioning and fast scanning. The following versions are available: X, Z, X-Y, X-Y-Z, Z-Tip/Tilt, and X-Y-Z- Tip/Tilt.
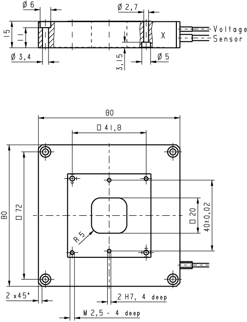
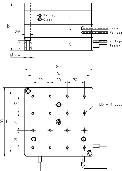
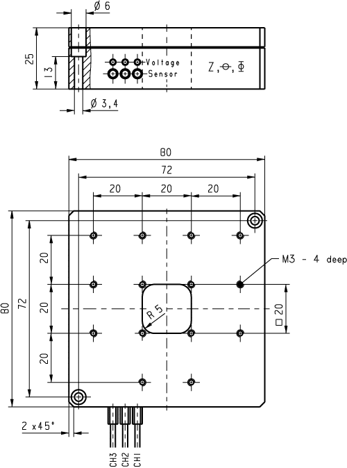
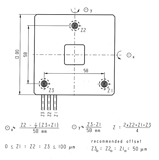
All versions but the Z and X-Y-Z translation stages have a 20 x 20 mm clear aperture. The X-Y model consists of an X module and a slightly modified Y module. The Z-module is equipped with 3 Piezo stacks located on the corners of a triangle. The stacks are selected for equal displacement and electrically connected in parallel. A displacement feedback sensor, mounted in the center of the triangle, provides optimum stability. The Z-thetaX-thetaY module allows individual control of all three PZTs. The displacement is measured by three sensors. See equation in technical drawings below for tip and tilt calculation. The 3-axis translation stage (X-Y-Z) version consists of an X-Y module stacked together with a Z module. The X-Y-Z-Tip-Tilt version consists of the X-Y module and the Z- Tip-Tilt module. See more Tip-Tilt stages.
Application Examples
Integrated optics, photonics, fiber alignment stages, semiconductor test equipment, scanning interferometry, disk drive testing, surface structure analysis, confocal microscopy, bio-technology, micromanipulation
Working Principle
P-762 nanopositioning stages are equipped with ultra-reliable multilayer piezoelectric drives integrated into a sophisticated flexure guiding system. The force exerted by the piezo drive pushes a multi-flexure parallelogram via an integrated motion amplifier. The wire EDM (Electric Discharge Machining) cut flexures are FEA (Finite Element Analysis) modeled for zero stiction/friction ultra-high resolution and exceptional guiding precision. Integrated LVDT (Linear Variable Differential Transformer) position feedback sensors provide nanometer scale resolution and stability in closed loop operation (with PI electronics).
Ordering Information:
P-762.1L PZT Nanopositioning Flexure Stage, 100 µm, LVDT Sensor
P-762.2L XY PZT Flexure Stage, 100 x 100 µm, LVDT Sensor
P-762.3L XYZ PZT Flexure Stage, 100 x 100 x 100 µm, LVDT Sensor
P-762.ZL Vertical PZT Flexure Stage, 100 µm, LVDT Sensor
P-762.TL Z-QX-QY PZT Flexure Stage, 100 µm, ±2.6 mrad, ±1.7 mrad, LVDT Sensor
P-762.5L X-Y-Z-QX-QY PZT Flexure Stage, 100 x 100 x 100 µm, ±2.6 mrad, ±1.7 mrad, LVDT Sensor
| TECHNICAL DATA: P-762 | ||||||||
Models | P-762.1L | P-762.2L | P-762.3L | P-762.ZL | P-762.TL | P-762.5L | Units | |
Active axes | X | X,Y | X,Y,Z | Z | Z,Q X,Q Y | X,Y,Z,Q X,Q Y | ||
Open loop travel @ 0 to 100 V | 100 | 100 x 100 | 100 x 100 x 100 | 100 | 100, | 100 x 100 x 100, (± 2.6, ± 1.7) | µm (mrad) | A2 |
Closed loop travel ³ | 100 | 100 x 100 | 100 x 100 x 100 | 100 | 100, | 100 x 100 x 100, (± 2.6, ± 1.7) | µm (mrad) | A5 |
Integrated feedback sensor | 1 x LVDT | 2 x LVDT | 3 x LVDT | 1x LVDT | 3 x LVDT | 5 x LVDT | B | |
Closed / open loop ** resolution £ | 10 / 1 | 10 / 1 | 10 / 1 | 10 / 1 | 10 / 1 | 10 / 1 | nm (µrad) | C1 |
Closed loop linearity (typ.) | 0.1 | 0.1 | 0.1 | 0.1 | 0.1 | 0.1 | % | |
Full range repeatability (typ.) | ±20 | ±20 | ±20 | ±20 | ±20 (±1 µrad) | ±20 (±1 µrad) | nm | C3 |
Max. (+/-) normal load | 5 | 5 | 2 | 2 | 2 | 2 | kg | D4 |
Tilt (Q Y, Q Z) (typ.) | 10 | 10 | 10 | µrad | E1 | |||
Lateral runout (Y) £ | 10 | nm | E2 | |||||
Electrical capacitance | 11 | 11 / axis | 11 / axis | 11 | 2.8 (ch1), 5.5 (ch2), 2.8 (ch3), see dwg | 2 x 11 (X,Y), 2.8, 5.5, 2.8 (Z), see dwg | µF ± 20 % | F1 |
* Dynamic operating current | 14 | 14 / axis | 14 / axis | 14 | 3.5 (ch1,3) | 14 (X,Y) | µA/(Hz x µm) | F2 |
Unloaded resonant | 700 | 350 | X,Y: 200 Z: 450 | 450 | Z: 450 | X,Y: 200 Z: 450 | Hz ± 20 % | G2 |
Operating temperature range | - 20 to 80 | - 20 to 80 | - 20 to 80 | - 20 to 80 | - 20 to 80 | - 20 to 80 | ° C | H2 |
Voltage connection | VL | 2 x VL | 3 x VL | VL | 3 x VL | 5 x VL | J1 | |
Sensor connection | L | 2 x L | 3 x L | L | 3 x L | 5 x L | J2 | |
Weight (with cables) | 230 | 460 | 850 | 370 | 390 | 870 | g ± 5 % | |
Body material | Al | Al | Al | Al | Al | Al | L | |
Recommended Amplifier/Controller | H, E | H, E | H, E | H, E | H, E | H, E | M | |
* Dynamic Operating Current Coefficient in µA per Hertz and µm.
Example (P-762.1L): Sinusoidal scan of 30 µm at 10 Hz requires approximately 4.2 mA drive current.
** Noise equivalent motion with E-503 amplifier.
This is a legacy product that may have limited availability or may have been replaced. Ask a PI engineer for an equivalent new model.















